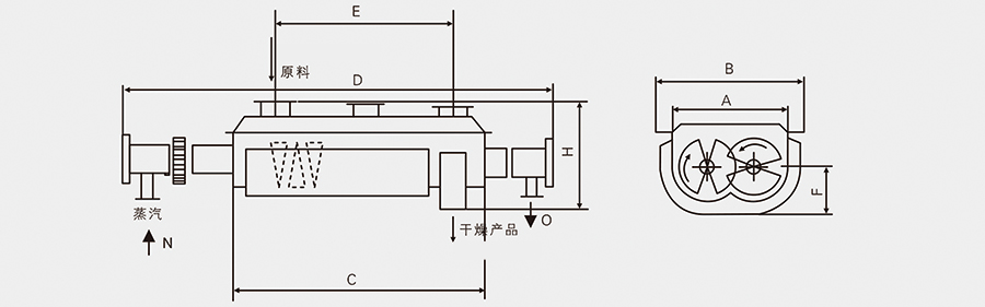
桨叶式干燥机是一种在设备内部设置搅拌桨,使湿物料在桨叶的搅动下,与热载体以及热表面充分接触,从而达到干燥目的的低速搅拌干燥器,结构形式一般为卧式,双轴或四轴。桨叶式干燥机分为热风式和传导式。热风式即通过热载体(如热空气)与被干燥的物料相互接触并进行干燥…

薄膜蒸发器是一种通过旋转刮板强制成膜,可在真空条件下进行降膜蒸发的蒸发装置,它传热系数大,蒸发强度高,过流时间短,操作弹性大,尤其适宜热敏性物料、高粘度物料及易结晶含颗粒物料的蒸发浓缩、脱气脱溶、蒸馏提纯,因此,在化工、石化、医药、农药、日化、食品、精…
众所周知,制药机械是制药工业发展过程中非常重要的环节,发展空间广阔。不锈钢反应釜作为制药机械的一种,紧紧抓住发展的有利时机,进入发展的新阶段。我国医药工业着力加快结构调整和转型升级,实现了持续、稳定、快速发展,在保护和增进人民健康、应对自然灾害和公共卫…
反应釜是化工行业中非常流行的设备之一,为了满足不同用户对物料的不同反应要求,所采用的反应釜类型也是不同的。除了我们所知的外盘管反应釜、、搪瓷反应釜等之外,水热反应釜、电加热反应釜等也是常见的类型。就以水热反应釜来说,它最受关注的价格是多少呢?先来认识一…
发酵设备是广泛用于微生物生长的一种反应设备。在发酵罐中各种微生物在适当的环境中生长,新陈代谢和开成发酵产物。发酵设备目前已广泛地用于制药、味精、酿酒、酶制剂、色素、食品等行业。搅拌器是发酵设备中的主要装置,通过搅拌液体,使新鲜培养成份、空气、菌丝体充分…
1、不锈钢发酵罐维护保养如进气管与出水管接头漏气,当旋紧接头不解决问题时,应添加或更换填料。2、压力表与安全阀应定期检查,如有故障要及时调换或修理。3、清洗发酵罐时,请用软毛刷进行刷洗,不要用硬器刮擦,以免损伤发酵罐表面。4、配套仪表应每年校验一次,以确保…
我国多数混合设备生产企业技术水平不高,有的甚至没有技术可言。一批投资少、技术含量低的“杂牌军”以大量低质、低价的设备挤占市场,不仅影响了我国混合设备的整体形象,更引起了国内混合设备大打价格战。制约行业发展的一个原因就是,虽然我国有众多的混合设备厂,但这…